我们非常重视您的个人隐私,当您访问我们的网站时,请同意使用的所有cookie。有关个人数据处理的更多信息可访问《隐私政策》
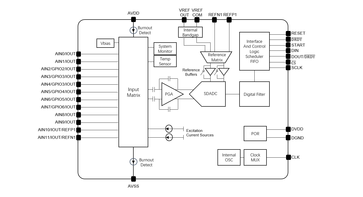
NSAD1148/NSAD1147/NSAD1146 是低功耗、低噪声的 16 位 delta-sigma (Δ-Σ) 模数转换器 (ADC)。该设备包含一个电容可编程增益放大器(PGA),其增益为 1、2、4、8、16、32、64 和 128,允许实现所有增益的轨到轨共模输入范围。这些 ADC 具有可配置的数字滤波器,支持低延迟转换,并能够同时抑制 50 Hz 和 60 Hz 的信号。
NSAD114x 系列具有高度集成化。该设备集成了高精度、低漂移的 2.048 V 基准电压源,以及两个独立的可编程激励电流源 (IDAC),可用于RTD 激励。支持多达 12 个输入,能够以任意组合连接到 PGA,提供设计灵活性。此外,这些设备还包括传感器烧毁检测、热电偶偏置电压、内部温度传感器以及最多 8 个通用 I/O 端口等功能。
产品特性
集成电容 PGA,具有可编程增益(1 到 128),实现所有增益的轨到轨输入范围
低延迟(单周期稳定)滤波选项
在低延迟滤波选项下,数据速率为 2.5 Hz、5 Hz、10 Hz 和 20 Hz 时能够同时抑制 50 Hz 和 60 Hz
两个独立的内部激励电流源,范围为 50 μA 到 1500 μA
内部 2.048 V 基准电压源,初始精度 ±0.02% 和温度漂移 3 ppm/° C
内部 4.096 MHz 振荡器,精度 ±1%
内部温度传感器,精度 ±1%
系统监控
自偏移和系统校准
最多 8 个通用 I/O
模拟供电:单极性(35 V)或双极性(±1.5~±2.5 V)
数字供电:3 V 到 3.6 V
应用场景
温度测量(RTD,热电偶)
压力测量
工厂自动化和工业过程控制
仪器仪表
功能框图


如您需要咨询产品更多信息,请点击“尊龙凯时人生就是搏”,我们将尽快回复您!