我们非常重视您的个人隐私,当您访问我们的网站时,请同意使用的所有cookie。有关个人数据处理的更多信息可访问《隐私政策》
尊龙凯时人生就是搏
样片申请
登录 / 注册
CN
传感器
隔离器件
接口
通用信号链芯片
栅极驱动
电机驱动
LED驱动
供电电源
功率路径保护
功率器件
汽车/工业专用芯片
微控制器(MCU)
交叉参考搜索
磁性传感器
集成式电流传感器
线性电流传感器
霍尔角度编码器
磁阻角度编码器
速度传感器
线性位置传感器
霍尔开关/锁存器
磁阻开关/锁存器
电流传感器磁调理芯片
位置传感器专用芯片
压力传感器
MEMS压力传感器
传感器信号调理专用芯片
压力传感器信号调理芯片
MEMS麦克风信号调理芯片
工业压力变送器信号调理芯片
红外PIR传感器信号调理芯片
热电堆传感器信号调理芯片
传感器信号调理专用芯片评估套件
温湿度传感器
温度传感器
数字隔离器
通用数字隔离器
I²C隔离器
超宽体数字隔离器
隔离接口
隔离RS485收发器
隔离CAN收发器
隔离电源
集成隔离电源的隔离RS485收发器
集成隔离电源的隔离CAN收发器
集成隔离电源的数字隔离器
变压器驱动器
隔离采样
隔离ADC
隔离电流放大器
隔离电压放大器
隔离误差放大器
隔离比较器
集成隔离电源的隔离采样
隔离驱动
隔离半桥驱动
隔离单管驱动
智能隔离驱动
半桥驱动板
固态继电器
通用接口
CAN/LIN/Mini SBC
I2C & I3C
其他工业通用接口
逻辑器件
电压基准
串联电压基准
数据转换器
模数转换器ADC
放大器
高压通用运算放大器
低压通用运算放大器
功率运算放大器
非隔离驱动
>600V半桥驱动
>100V半桥驱动
低边驱动
GaN功率芯片与驱动
GaN功率芯片
GaN半桥驱动
直流有刷电机驱动
直流有刷电机集成驱动
直流有刷电机预驱
继电器与螺线管驱动
多通道低边驱动
步进电机驱动
双极性步进电机驱动
车灯驱动
车尾灯驱动
LDO
中高压>10V通用LDO
DC-DC开关变换器
Buck降压
智能高低边开关
智能低边开关
智能高边开关
碳化硅
碳化硅二极管
碳化硅MOSFET
硅MOS
锂电保护CSP MOSFET
汽车专用SoC
嵌入式电机驱动SoC
嵌入式电机驱动SoC功能验证评估板
工业专用芯片
工业变送器专用芯片
实时微控制器
汽车电子
新能源汽车能源和动力总成系统
汽车热管理
车身电子与照明
车载娱乐与仪表
可再生能源与电源
光储充系统
移动储能
充电桩
数字电源
适配器电源
工业自动化
仪器仪表
配电自动化
PLC
步进电机驱动器
工业变频器
伺服驱动器
电池化成分容
消费电子
家电
智能门锁
送餐机器人
样品申请
质量与认证
线上购买
资料下载
技术文章
在线课堂
公司简介
新闻活动
投资者关系
纳芯世界
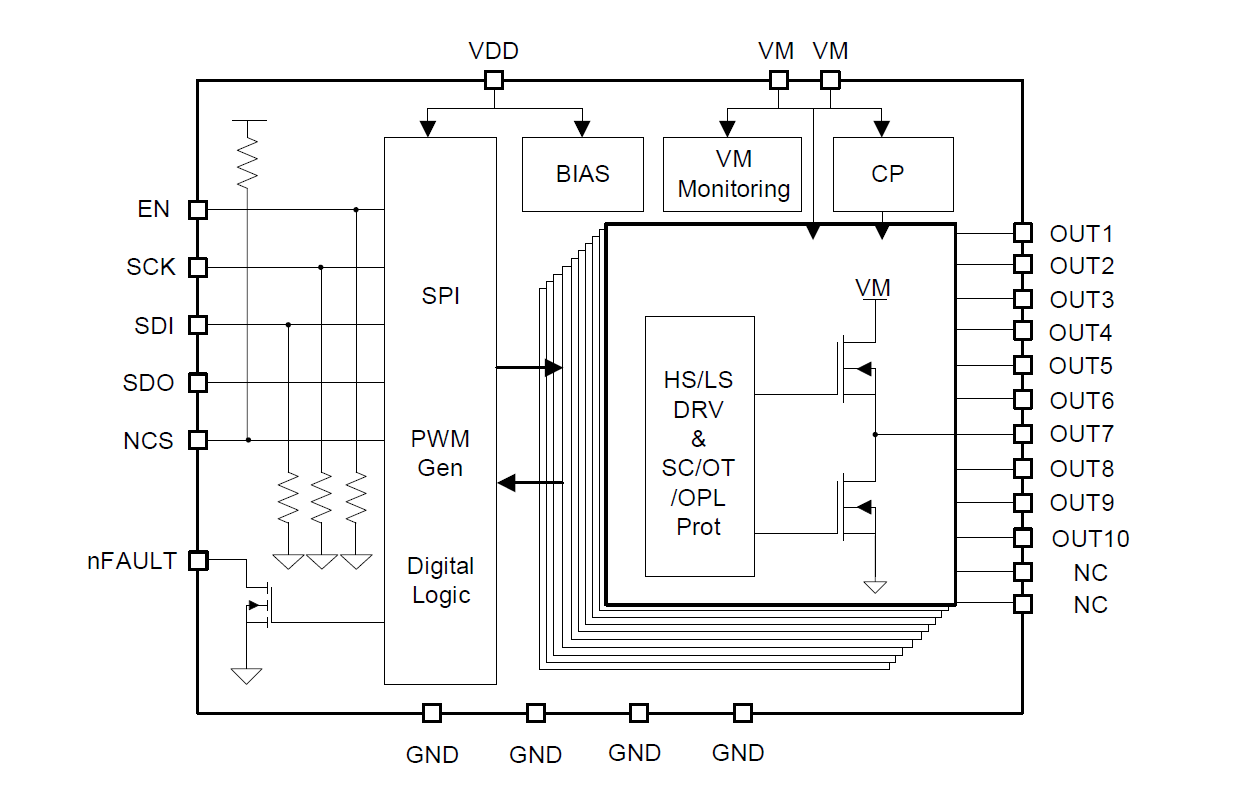
NSD8310/8310A-Q1是一款多通道半桥驱动芯片,内部集成10通道半桥。通过灵活配置,该芯片可以支持多种不同的负载类型,包括直流有刷电机,步进电机,继电器和LED等。该芯片集成了PWM生成器,用户可以通过SPI接口轻松配置PWM频率和占空比,实现对负载的精确控制,可应用于直流有刷电机软启动与LED调光等;同时该产品提供智能诊断功能,帮助车机系统监测负载连接状态,如果出现断线或者短路情况,外部MCU可以通过芯片内部寄存器获取独立通道的报错信息。
产品特性
- 宽工作电压范围:4.5V~36V(最大耐压40V)
- 导通电阻(HS + LS):1.7Ω
- 峰值电流:1A
- PWM生成器支持可配置频率与占空比
- 开路诊断
- 欠压保护与过压保护
- 工作温度:Tj=-40°C~150°C
- 满足AEC-Q100车规认证
应用场景
- 汽车车身控制器
- 汽车区域控制器
- 汽车空调控制器
- 汽车热管理系统
功能框图
如您需要咨询产品更多信息,请点击“尊龙凯时人生就是搏”,我们将尽快回复您!