我们非常重视您的个人隐私,当您访问我们的网站时,请同意使用的所有cookie。有关个人数据处理的更多信息可访问《隐私政策》
纳芯微全新推出GaN驱动NSD2621,可广泛适用于快充、储能、服务器电源等多种GaN应用场景。NSD2621是一颗高压半桥栅极驱动芯片,专门用于驱动E−mode(增强型)GaN 开关管。
NSD2621产品特性:
- SW引脚耐压±700V
- 峰值驱动电流2A/-4A
- 驱动输出集成内部稳压器,驱动电压5V/5.5V/6V可选
- 传输延时典型值30ns,上下管驱动传输延时匹配低于10ns
- 内部可调死区时间20ns~100ns
- SW允许共模瞬变高达150V/ns
- 独立的SGND和PGND引脚
- 集成欠压保护和过温保护
- 工作温度范围-40°C~125°C
- QFN15 4*4mm封装

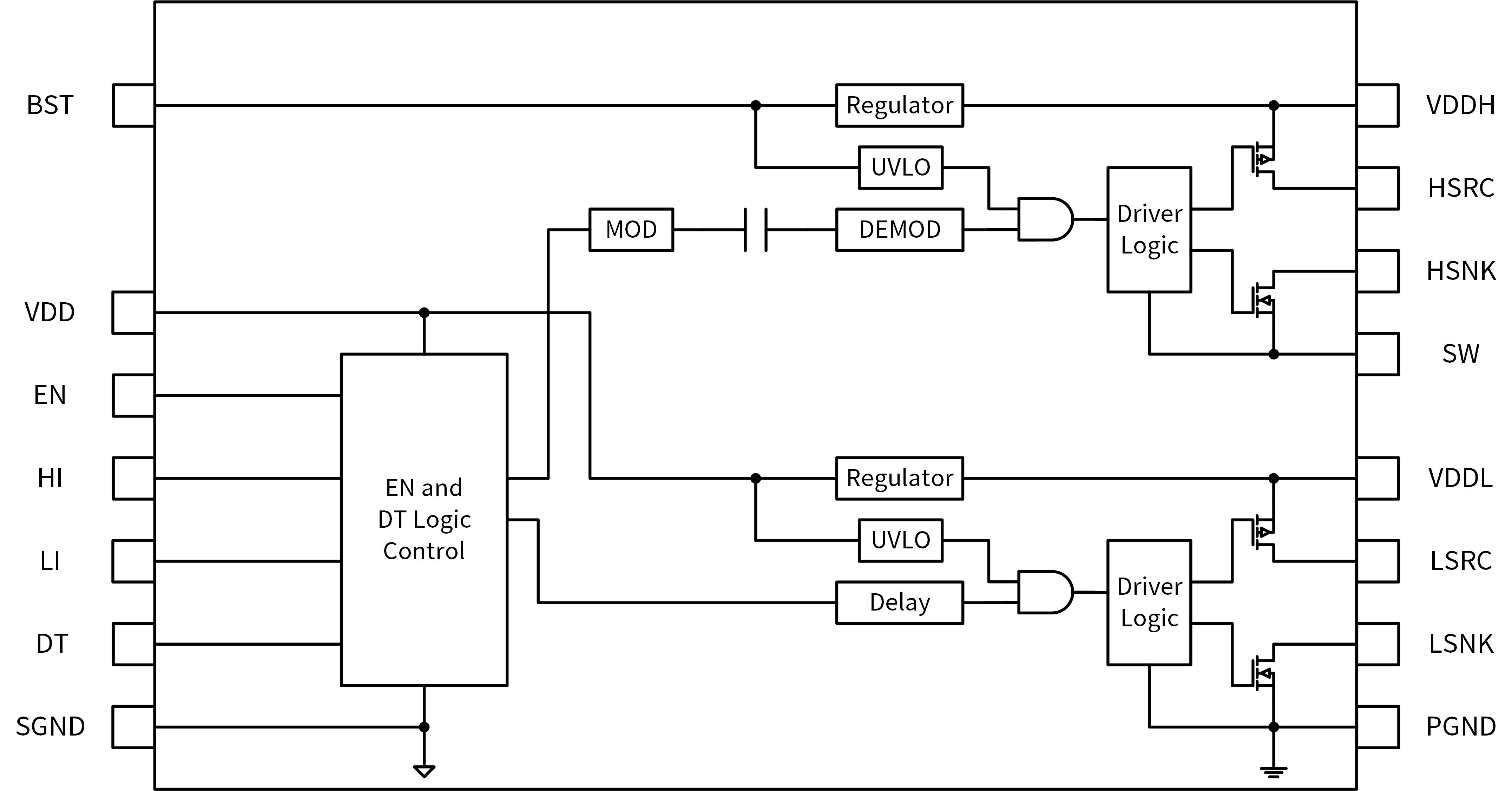
NSD2621功能框图
1. NSD2621将隔离技术应用于高压半桥驱动,解决了GaN应用桥臂中点SW引脚的共模瞬变和负压尖峰问题。
在GaN应用中,为了减小开关损耗,其开关速度远高于传统的Si MOSFET, 桥臂中点的dv/dt达到了50V/ns甚至更高,这对驱动芯片SW引脚的共模瞬变抗扰度提出了极高的要求。同时,高速开关导致的di/dt与寄生电感会在SW引脚产生瞬态负压尖峰,导致驱动芯片发生闩锁甚至损坏。
NSD2621的上管驱动采用隔离技术进行设计,共模瞬变抗扰度高达150V/ns,并且可以耐受700V的负压,有效提升了系统的可靠性。
2. NSD2621内部集成稳压器,有利于保持栅极驱动信号幅值稳定,保护GaN开关管栅级免受过压应力的影响。
与传统的Si MOSFET器件不同,E-mode GaN器件的栅源电压要求极为严格,一般耐压最大值不超过7V。在开关电源中由于系统噪声的影响,驱动芯片VDD或者BST引脚容易引入高频干扰,会引起栅极驱动电压的过冲,从而导致GaN开关管损坏。
NSD2621上下管的驱动输出都集成了内部稳压器LDO,可以有效抑制VDD或BST引入的高频干扰,避免损坏GaN开关管。此外NSD2621可以灵活地选择6V/5.5V/5V不同驱动电压版本,适用于各类品牌的GaN开关管器件。
3. NSD2621超短传输延时有利于减小GaN死区损耗,并且内置可调死区时间功能,可有效避免发生桥臂直通。
GaN器件可以反向导通,其反向导通特性代替了普通MOSFET体二极管的续流作用,但在负载电流较大时其较高的反向导通压降会造成较大损耗,降低了系统效率。为了减小GaN反向导通损耗,应设置尽可能小的死区时间。死区时间的设置除了与电源的拓扑结构、控制方式有关,还受到驱动芯片传输延时的限制。
传统的高压半桥驱动芯片的上管驱动需要采用电平移位设计,为减小功耗多采用脉冲锁存式电平转换器,造成传输延时较长,无法满足GaN 应用的需求。NSD2621上管驱动采用纳芯微擅长的隔离技术进行设计,传输延时典型值仅30ns,并且上下管驱动的传输延时匹配在10ns以内,能够实现对GaN开关管设置几十纳秒以内的死区时间。同时,NSD2621内置20ns~100ns可调的硬件死区时间,可以有效避免发生桥臂直通的情况。

NSD2621内置死区时间测试波形
如上图所示,CH1为上管驱动输入 ,CH2为下管驱动输入,CH3为上管驱动输出,CH4为下管驱动输出。一开始当上管和下管驱动输入都为高电平时,为避免桥臂直通,上下管驱动输出都为低电平;当下管驱动输入变为低电平,经过30ns的传输延时和内置20ns的死区时间后,上管驱动输出变为高电平。
免费送样
NSD2621系列目前均可提供样品,如需申请样片请点击【样片申请】在线提交您的需求,更多信息敬请访问www.katsudesign-okayama.com。