Automotive Grade Octal Buffers and Line Drivers With 3-State Outputs
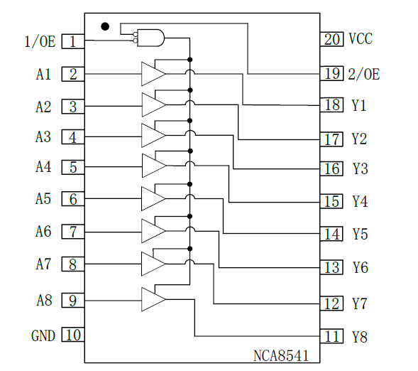
NCA8541-Q1 is an automotive grade octal buffer/driver used for improving driver ability of bus-oriented receivers and transmitters, clock drivers etc. and ensuring the accuracy of signal timing. It provides eight channels with two output-enable(/OE) input that low active. When both /OE1 and /OE2 are active, NCA8541-Q1 transmits data from A to Y. When either outputenable is high, the outputs are in the high-impedance state. During power up and power down, /OE should be tied to VCC through a pull-up resistor to ensure the high impedance state. NCA8541-Q1 can tolerate up to 5.5V input voltage and each channel supports maximum 24mA current drive. All unused inputs must be held at VCC or GND to prevent excess supply current.
Product Features
• AEC-Q100 certificated
• Input: TTL level compatible
• Power supply voltage: 4.5V-5.5V
• Input pins can withstand up to 5.5V inputs
• Chip-level ESD: HBM: ±4kV
• 3-state output
• Operation temperature:-40℃-125℃
• RoHS-compliant package: TSSOP20
Application
• Motor driver
• I/O modules
• LED displays
Functional Block Diagram


For more product information, please contact us.