• 尊龙凯时 - 人生就是搏!尊龙凯时人生就是搏

    Product

    Product

    Isolated Half-Duplex/Full-Duplex 485 Transceiver With High Reliability

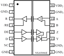
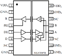
    The NSi8308xE is a series of isolated RS-485 transceivers based on NOVOSENSE's digitally isolated transceiver technology, where the NSI83085E is a half-duplex RS-485 transceiver and the NSI83086E is a full-duplex RS-485 transceiver. Both products are UL1577-qualified, support a dielectric strength of 5kVrms, and feature low emission, low power consumption and high immunity to electromagnetic interference. The bus pins on the bus side of the NSi8308xE is designed with ±10kV ESD protection to ground at system level. This product is designed with a fail-safe circuit that ensures the receiver output is logic high when the receiver input is disconnected or shorted. It features a receiver input impedance of 1/8 unit load, allowing up to 256 transceivers to be connected to the bus. The data rate of the NSI83085E is 12Mbps, and that of the NSI83086E is 16Mbps.

    Product Features

    • Dielectric strength 5000Vrms

    • Bus side supply voltage: 3.0V to 5.5V

    • VDD1 supply voltage: 2.5V to 5.5V

    • High CMTI: ±150kV/μs

    • High system-level EMC performance:

    o Bus pins conform to IEC61000-4-2±10kV ESD

    • Fail-safe receiver

    • Supporting 256 transceivers

    • Lifetime of isolated gate: > 60 years

    • Operation temperature: -40℃~105℃

    • RoHS compliant package: SOW16



    Safety Certificate

    • UL1577 qualified: 5kVrms for 1 min.

    • CQC qualified: Conform to GB4943.1 -2011

    • CSA qualified: Components conform to 5A

    • VDE qualified: DIN V VDE V 0884-11:2017-1



    Application

    •Industrial automation system

    •Isolated 485 communication system

    •Smart power metering and water meters

    •Security and surveillance systems


    Functional Block Diagram

    8308xe-框图1.png8308xe-框图2.png

    For more product information, please contact us.

    尊龙凯时人生就是搏