尊龙凯时 - 人生就是搏!尊龙凯时人生就是搏

Product

Product

High Reliability Isolated Half-Duplex RS-485 Transceivers

NSI83085C is a high reliability isolated half duplex RS-485 transceiver based on NOVOSENSE digital isolation technology. The NSI83085C is safety certified by UL1577 support 5kVrms insulation withstand voltages, while providing high electromagnetic immunity and low emissions at low power consumption. The Bus pins of NSI83085C is protected from ±10kV system level ESD to GND2 on Bus side. The device feature fail-safe circuitry, which guarantees a logic-high receiver output when the receiver inputs are open or shorted. The device has a 1/8-unit-load receiver input impedance that allows up to 256 transceivers on the bus. The data rate of NSI83085C is 12Mbps. The device is slew limited to reduce EMI and reflections with improperly terminated transmission line.

Product Features

Up to 5000Vrms Insulation voltage

Bus side power supply voltage: 3.0V to 5.5V

VDD1 supply voltage: 2.5V to 5.5V

High CMTI: ±150kV/μs

High system level EMC performance: Bus Pins meet IEC61000-4-2 ±10kV ESD

Fail-safe protection receiver

Up to 256 transceivers on the bus

Operation temperature: -40°C ~105°C

RoHS-compliant packages: SOW16

Safety Certificate

UL recognition: up to 5000Vrms for 1 minute per UL1577

CQC certification per GB4943.1

CSA component notice 5A approval IEC60950-1 standard 

DIN EN IEC 60747-17 (VDE 0884-17) 

Application

Industrial automation system 

Isolated RS-485 communication

Smart electric meter and water meter

Security and protection monitoring

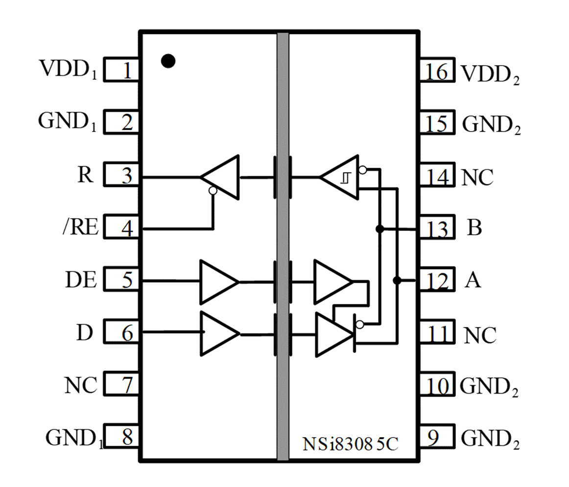
Functional Block Diagram

image.png

For more product information, please contact us.

尊龙凯时人生就是搏