Half-Duplex RS-485 Transceiver
NCA3485 is a half-duplex RS-485 transceiver. The devices have a 1/8-unit-load receiver input impedance that allows up to 256 transceivers on the bus. The data rate of the device is up to 12Mbps. The device is slew limited to reduce EMI and reflections with improperly terminated transmission line. The Bus pins are protected from ±10kV system level ESD to GND. These devices feature fail-safe circuitry, which guarantees a logic-high receiver output when the receiver inputs are open or shorted.
Product Features
• Power supply voltage: 3.0V to 5.5V
• High system level EMC performance: Bus Pins meet IEC61000-4-2 ±10kV ESD
• Fail-safe protection receiver
• Up to 256 transceivers on the bus
• Operation temperature: -40℃~105℃
• RoHS-compliant packages: SOP8
Application
• Industrial automation system
• RS-485 communication
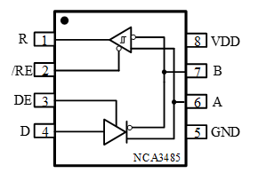
Functional Block Diagram

All Resources

For more product information, please contact us.