CSP MOSFET for Li-ion Battery Protection
NOVOSENSE's new CSP package MOSFET series products adopt its own patented chip structure design, which has better comprehensive performance than the traditional Trench VDMOS process in the industry, and has the characteristics of ultra-low on-resistance and high ESD (>2kV) protection function. This technology takes into account the requirements of product miniaturization and high overcurrent, and solves the problems of low mechanical strength, low avalanche energy, and difficult production and assembly processing of traditional CSP packaging chips, providing customers with safer and more reliable products and simplifying customer design.
Product Features
Advanced CSP packaging products, small size, good heat dissipation performance, and small electrical connection parasitic parameters
Unique patented chip structure design, comprehensive performance far exceeds traditional Trench VDMOS
Excellent short circuit overcurrent capability and avalanche overvoltage capability, stronger mechanical pressure tolerance
The internal resistance of 12V series products is 1.8mΩ-10mΩ, meeting common single-cell battery charging management needs
Strict quality management process, full-process quality data audit from design and development to production testing
Application
Portable lithium battery equipment
Smartphones
Tablet
VR/AR
Smart wear
mobiles power supply, etc
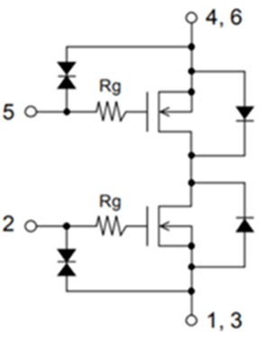
Functional Block Diagram


For more product information, please contact us.