• 尊龙凯时 - 人生就是搏!尊龙凯时人生就是搏

    我们非常重视您的个人隐私,当您访问我们的网站时,请同意使用的所有cookie。有关个人数据处理的更多信息可访问《隐私政策》

    产品中心
    霍尔角度编码器

    产品中心

    NSM3011-Q1: 车规级霍尔角度传感器

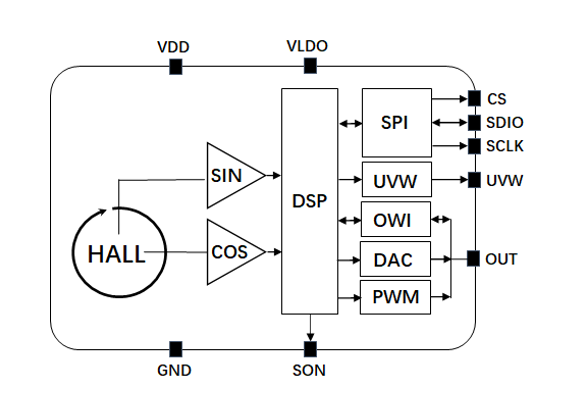
    NSM301x-Q1是一种车规级非接触式旋转角度传感器,在-40°C至125°C的环境温度范围内支持360°旋转角度的精确测量。该系列基于平面霍尔阵列,将两极磁铁的角度位置信息通过内部DSP解算,转化成模拟电压,PWM,SPI等各种输出形式。

    NSM301x提供SPI和OWI接口用于信号路径配置以及可擦除编程寄存器块(MTP),它具有自动增益(AGC)调整模块,可对信号路径进行增益调节,以适应不同的机械约束和磁场。这种方法在系统设计方面提供了最大的灵活性,因为它可以直接集成到现有的体系结构中,提供较高的准确度。

    产品特性

    • 3~5.5V 宽的工作电压范围

    • 14 位线性 DAC 模拟量输出或者 12 位分辨率 PWM 输出

    • 内置自动增益补偿电路补偿磁铁温度特性和 Z 方 向安装位置公差带来的增益损失

    • 支持四段分段拟合

    • 提供±1°精度的角度输出

    • 四段校准后精度可达到±0.2°

    • Z 方向可编程阈值判断开关量输出

    • 具有异常诊断功能

    • 差分霍尔检测可抵御外界杂散磁场

    • 提供 SPI 和 OWI 用户可编程通信接口

    • 纳芯微创新的斩波以及旋转电流激励技术使得角 度温漂很小

    • 工作温度:-40℃ ~ 125℃

    • 符合AEC-Q100 Grade 1质量要求

    应用场景

    • 汽车:

       - 阀门角度传感器(节气门、EGR、球阀、膨胀阀等)

       - 油门踏板角度传感器

       - 电子换挡器

       - 雨刮器位置传感器

       - 车身高度传感器


    功能框图

    NSM3011-Q1应用框图.png

    如您需要咨询产品更多信息,请点击“尊龙凯时人生就是搏”,我们将尽快回复您!

    尊龙凯时人生就是搏