我们非常重视您的个人隐私,当您访问我们的网站时,请同意使用的所有cookie。有关个人数据处理的更多信息可访问《隐私政策》
产品特性
• 3~5.5V 宽的工作电压范围
• 14 位线性 DAC 模拟量输出或者 12 位分辨率 PWM 输出
• 内置自动增益补偿电路补偿磁铁温度特性和 Z 方 向安装位置公差带来的增益损失
• 支持四段分段拟合
• 提供±1°精度的角度输出
• 四段校准后精度可达到±0.2°
• Z 方向可编程阈值判断开关量输出
• 具有异常诊断功能
• 差分霍尔检测可抵御外界杂散磁场
• 提供 SPI 和 OWI 用户可编程通信接口
• 纳芯微创新的斩波以及旋转电流激励技术使得角 度温漂很小
• 工作温度:-40℃ ~ 125℃
• 符合AEC-Q100 Grade 1质量要求
应用场景
• 汽车:
- 阀门角度传感器(节气门、EGR、球阀、膨胀阀等)
- 油门踏板角度传感器
- 电子换挡器
- 雨刮器位置传感器
- 车身高度传感器
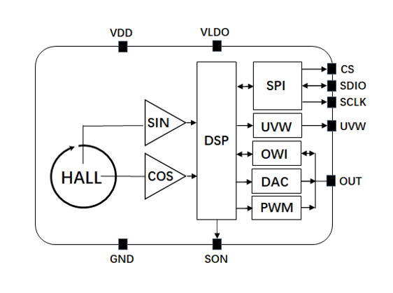
功能框图

所有资源

如您需要咨询产品更多信息,请点击“尊龙凯时人生就是搏”,我们将尽快回复您!