我们非常重视您的个人隐私,当您访问我们的网站时,请同意使用的所有cookie。有关个人数据处理的更多信息可访问《隐私政策》
产品特性
• 绝缘电压高达 5000Vrms
• I2C 时钟速率:高达 2MHz
• 电源电压:2.5V 至 5.5V
• 高 CMTI:150kV/μs
• 芯片级 ESD:HBM:±6kV
• 高系统级 EMC 性能:增强的系统级 ESD、EFT 和浪涌抗扰度
• 低功耗: 1.5mA/ch (1 Mbps)
• 工作温度:-40℃~125℃
• 符合 RoHS 规范的封装:SOW16
安全认证
• UL 认证:根据 UL1577,1 分钟最高 5000Vrms 电压
• 根据 GB4943.1 获得 CQC 认证
• CSA 组件通知 5A
• DIN EN IEC 60747-17 (VDE 0884-17)
应用场景
• 以太网供电
• 隔离的 I2C、SMBus 或 PMBus 接口
• I2C 电平转换
• 电池管理
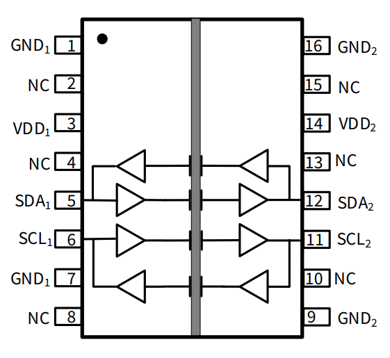
功能框图


如您需要咨询产品更多信息,请点击“尊龙凯时人生就是搏”,我们将尽快回复您!