尊龙凯时 - 人生就是搏!尊龙凯时人生就是搏

我们非常重视您的个人隐私,当您访问我们的网站时,请同意使用的所有cookie。有关个人数据处理的更多信息可访问《隐私政策》

产品中心
集成隔离电源的隔离RS485收发器

产品中心

具有集成隔离电源式DC-DC转换器的RS-485收发器

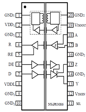
NSIP83086C是具有集成隔离式DC-DC电源的高可靠性全双工隔离RS-485收发器。隔离式DC-DC电源可基于片上变压器,反馈PWM信号由基于NOVOSENSE电容隔离技术的数字隔离器传输到初级侧。高度集成的解决方案可以简化系统设计并提高可靠性。NSIP83086C已通过UL1577安全认证,支持5kVrms绝缘电压。NSIP83086C总线侧的总线引脚对GND2拥有±8kV的系统级ESD的保护。此设备具有故障安全功能电路,当接收器输入断开或短路时,确保接收器输出逻辑高。其具有1/8单位负载的接收器输入阻抗,允许总线上最多连接256个收发器。

产品特性

• 绝缘电压高达5000Vrms

• 具有集成隔离式DC-DC电源

• I/O电压范围支持1.8V~5V MCU

• 电源电压:

oVDD: 4.5V至5.5V

oVDDL: 1.8V至5.5V

• 过电流和过热保护

• 高CMTI:150kV/us

• 数据速率:16Mbps

• 支持256个收发器

• 较高的系统级EMC性能:

o总线引脚符合IEC61000-4-2±8kV ESD

• 隔离栅寿命:>60年

• 工作温度:-40℃~105℃

• 符合RoHS的封装:SOW20


安全认证

• UL1577认证: 1分钟 5kVrms

• CQC认证:符合GB4943.1-2011

• CSA认证:组件符合5A

• VDE认证:DIN VDE V 0884-11:2017-1


应用场景

•工业自动化系统

•隔离RS-485通信系统

•智能电表和水表

•安防和监控系统


功能框图

框图.PNG

如您需要咨询产品更多信息,请点击“尊龙凯时人生就是搏”,我们将尽快回复您!

尊龙凯时人生就是搏