我们非常重视您的个人隐私,当您访问我们的网站时,请同意使用的所有cookie。有关个人数据处理的更多信息可访问《隐私政策》
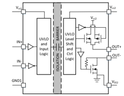
NSI6601是单通道隔离式栅极驱动器,旨在驱动许多应用中的IGBT,功率MOSFET和SiC MOSFET。 它提供分立输出,分别控制上升和下降时间,并可以提供最大5A/5A的拉灌电流能力。 NSI6601提供SOP8(150 mil)或SOP8(300 mil)封装,根据UL1577可支持3000VRMS或5700VRMS隔离, 150kV/μs的最小共模瞬变抗扰度(CMTI),支持系统鲁棒性。该驱动器的最大电源电压为32V,而输入侧则接受3.1V至17V的电源电压。 所有电源电压引脚均支持欠压锁定(UVLO)保护。NSI6601具有高驱动电流,出色的耐用性,宽电源电压范围和快速信号传播的特性,适用于高可靠性,功率密度和效率的开关电源系统。
产品特性
• 单通道隔离驱动器
• 输入侧电源电压:3.1V至17V
• 驱动器侧电源电压:高达32V(同时具有9V和13V的UVLO选项)
• 峰值5A/5A拉灌电流能力
• 高CMTI:±150kV/μs
• 典型的78ns传播延迟
• 工作环境温度:-40°C〜125°C
• 符合RoHS的封装:
• SOP8(150 mil)
• SOP8(300 mil)
安全认证
• UL1577认证:
• SOP8(150 mil):1分钟 3kVRMS
• SOP8(300 mil) :1分钟 5.7kVRMS
• CQC认证:符合GB4943.1-2011
• CSA认证:组件符合5A
• VDE认证:DIN V VDE V 0884-11:2017-1
应用场景
• 隔离式DC / DC和AC / DC电源
• 高压PFC
• 太阳能逆变器
• 电机驱动器和电动汽车充电
• UPS和电池充电器
功能框图


如您需要咨询产品更多信息,请点击“尊龙凯时人生就是搏”,我们将尽快回复您!