我们非常重视您的个人隐私,当您访问我们的网站时,请同意使用的所有cookie。有关个人数据处理的更多信息可访问《隐私政策》
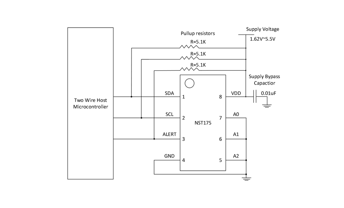
NST175是一款低功耗高精度数字温度传感器,是负温度系数(NTC)和正温度系数(PTC)热敏电阻的理想替代产品。该器件无需校准或外部组件信号调节即可提供典型值为±0.5℃的精度。NST175温度传感器为高度线性化产品,无需复杂计算或查表即可得知温度。片上12位模数转换器(ADC)提供低至 0.0625℃的分辨率。NST175兼容SMBus和I2C接口,允许一条总线上最多连接27个器件,支持SMBus报警功能。NST175温度工作范围为-40℃至125℃,是各种通信、计算机、消费类产品、物联网、环境、工业和仪器应用中扩展温度测量的理想选择。NST175 采用行业标准的MSOP8和SOP8封装。

如您需要咨询产品更多信息,请点击“尊龙凯时人生就是搏”,我们将尽快回复您!