我们非常重视您的个人隐私,当您访问我们的网站时,请同意使用的所有cookie。有关个人数据处理的更多信息可访问《隐私政策》
产品特性
• 工作温度范围: ‒50℃至150℃
• -50℃~150℃内保持高精度
DFN-2L
0℃~85℃范围内精度:±0.1℃ (典型值) ±0.25℃ (最大值)
-40℃~125℃范围内精度:±0.5℃ (最大值)
-40℃~150℃范围内精度:±0.5℃ (最大值)@3.3V
TO-92S-2L
0℃~85℃范围内精度:±0.2℃ (典型值)
-20℃~85℃范围内精度:±0.35℃ (最大值)
-40℃~125℃范围内精度:±0.7℃ (最大值)
-40℃~150℃范围内精度:±0.7℃ (最大值)@3.3V
• 高分辨率:0.0078125℃(1 LSB)
• 快速温度响应:硅油τ63%0.27S(DFN2L)
• 单次温度转换时间:32ms
• 超低功耗:工作电流30µA,零待机功耗
• 电源电压范围:1.7V到5.5V
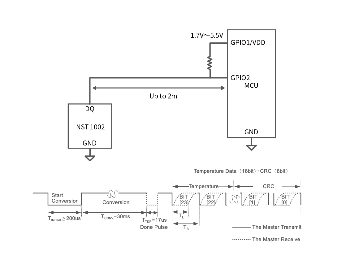
• 单总线协议数字输出,无需AD转换接口
• 支持双引脚简化温度测量方案
• DFN2L超小封装,与0603电阻尺寸相同
应用场景
• 电表
• 燃气表测温
• 智能马桶
• 小家电
• 血糖仪
• 数字温度探头
• 智能可穿戴
• 工业物联网
• 电池温度检测
功能框图


如您需要咨询产品更多信息,请点击“尊龙凯时人生就是搏”,我们将尽快回复您!